JNDE15075DE16型橡膠減振器
- 生產地:上海品牌:松夏
- 型號:JNDE15075DE16 質保:兩年
- 包裝:隔振紙箱包裝或隔振木箱包裝 材質:NR/EPDM/NBR/FKM/CR/PTFE等
適用范圍:
廣泛應用于電子儀器,儀表,設備柜內,也可以用風 機,水泵,冷水機組等。
- 報價:電議
- 更新日期:2024年04月08日
適用范圍:
廣泛應用于電子儀器,儀表,設備柜內,也可以用風 機,水泵,冷水機組等。

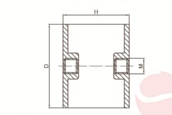
JNDE15075DE16型橡膠減振器是由一頭配螺栓的鋼板,一頭配內絲的鋼板,中間圓柱形橡膠體組成,可壓縮和伸長,具有結構簡單,安裝方便,耐油,耐酸堿,抗老化,耐溫等性能。
由上下鋼板完全分離,不需另加附件即可減斷聲橋傳遞,是一種非常實用的減振器,尤其適用于電子儀器儀表。
松夏設計生產的圓柱型橡膠減振器規格齊全,我們可以接受定制,包含尺寸大小以及橡膠硬度等,如有需要可以聯系我們的銷售人員或者代理商。
廣泛應用于電子儀器,儀表,設備柜內,也可以用風機,水泵,冷水機組等。